ハム活動記

2023/3/2 (木)

ハム活動記

APF

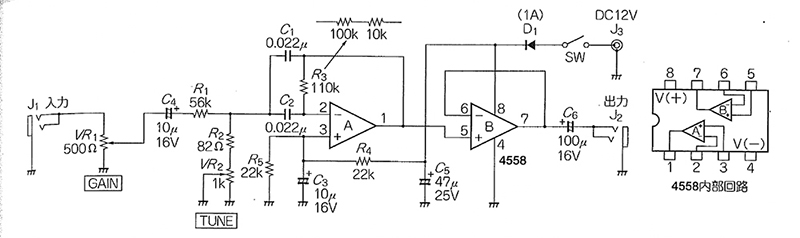
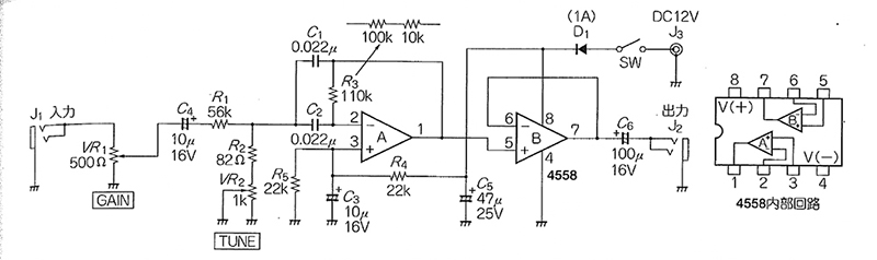
今使っているAPF(オーディオピークフィルター)とても調子が良いので、もう一台作ろうと思う

移動用で便利なように小型なものが目標です

apf.jpg

回路は以前CQ誌に掲載されていたもの(本サイトでも紹介)を使う。 幸い、プリント基板のパターンもあるので、少し手を加えて作成しようと思う。


トップ   編集 凍結 差分 履歴 添付 複製 名前変更 リロード   新規 一覧 検索 最終更新   ヘルプ   最終更新のRSS
Last-modified: 2023-10-31 (火) 09:13:33